Quellidellelica Forum BMW moto  il più grande forum italiano non ufficiale  

Vai indietro   Quellidellelica Forum BMW moto il più grande forum italiano non ufficiale > Boxer 4 valvole > R850RT - R1100RT - R1150 RT - R1200RT


Share This Forum!  
  
Rispondi
 
Strumenti della discussione Modalità di visualizzazione
Vecchio 24-04-2023, 20:57   #1
PATERNATALIS
dr. Alzheimer
 
L'avatar di PATERNATALIS
 
Registrato dal: 25 Aug 2009
ubicazione: A quel paese. Ma sarebbe meglio in un Fiordo
Messaggi: 17.507
predefinito

Ok. Ammesso che serva a qualcosa....
__________________
Der Hölle Rache kocht in meinem Herzen
RT1200, R65/II
PATERNATALIS non è in linea   Rispondi quotando
Vecchio 24-04-2023, 21:38   #2
DettoriGiampaolo
Mukkista in erba
 
L'avatar di DettoriGiampaolo
 
Registrato dal: 03 Nov 2008
ubicazione: Cesano Maderno
Messaggi: 482
predefinito

Quote:
Originariamente inviata da PATERNATALIS Visualizza il messaggio
Ok. Ammesso che serva a qualcosa....
Provata oggi...... serve serve...le tacche sul dispay scendono
__________________
Vespa50 Laverda750 SFC Honda750 four Benelli250c Benelli504 Aprilia Caponord ETV1000 BMW R1200RT
DettoriGiampaolo non è in linea   Rispondi quotando
Vecchio 25-04-2023, 16:11   #3
PATERNATALIS
dr. Alzheimer
 
L'avatar di PATERNATALIS
 
Registrato dal: 25 Aug 2009
ubicazione: A quel paese. Ma sarebbe meglio in un Fiordo
Messaggi: 17.507
predefinito

Cha faccia calare la temperatura OK. Ma se gli ingegneri crucchi hanno stabilito una temperatura per l' olio magari c'e una ragione.
Intendevo questo.
__________________
Der Hölle Rache kocht in meinem Herzen
RT1200, R65/II
PATERNATALIS non è in linea   Rispondi quotando
Vecchio 25-04-2023, 18:05   #4
Paolo Grandi
Mukkista doc
 
L'avatar di Paolo Grandi
 
Registrato dal: 15 Apr 2005
ubicazione: Castel S. Pietro Terme (BO)
Messaggi: 14.712
predefinito

Per un uso normale, anche intenso, è superflua. Proprio perché in progettazione sono stati attenti.
Diverso il discorso per le FFOO, che fanno molta città, nel traffico, e magari stanno fermi, a moto accesa, per esigenze di servizio.

Ci pensavo proprio oggi. A 5 tacche mi sono fermato dopo tiratina, a fare benzina. In 5minuti5 con questo vento freddino sono sceso a 3 tacche in ripartenza...
__________________
BMW R1200RT 2011
...fidati solo di ciò che vedi...(J. McGuinness - 23 TT won)
Paolo Grandi non è in linea   Rispondi quotando
Vecchio 25-04-2023, 18:07   #5
Paolo Grandi
Mukkista doc
 
L'avatar di Paolo Grandi
 
Registrato dal: 15 Apr 2005
ubicazione: Castel S. Pietro Terme (BO)
Messaggi: 14.712
predefinito

Ovvio che quindi se si usa tanto la moto in città con traffico congestionato...
__________________
BMW R1200RT 2011
...fidati solo di ciò che vedi...(J. McGuinness - 23 TT won)
Paolo Grandi non è in linea   Rispondi quotando
Vecchio 25-04-2023, 18:42   #6
DettoriGiampaolo
Mukkista in erba
 
L'avatar di DettoriGiampaolo
 
Registrato dal: 03 Nov 2008
ubicazione: Cesano Maderno
Messaggi: 482
predefinito

Giusta osservazione , ma il kit per la ventola radiatore lo hanno inventato , montato sulle RT "speciali" , e messo in vendita loro , ed il motivo ci sarà .

Inviato dal mio moto g 5G plus utilizzando Tapatalk
__________________
Vespa50 Laverda750 SFC Honda750 four Benelli250c Benelli504 Aprilia Caponord ETV1000 BMW R1200RT
DettoriGiampaolo non è in linea   Rispondi quotando
Vecchio 25-04-2023, 18:46   #7
Paolo Grandi
Mukkista doc
 
L'avatar di Paolo Grandi
 
Registrato dal: 15 Apr 2005
ubicazione: Castel S. Pietro Terme (BO)
Messaggi: 14.712
predefinito

Certo.
Ma eviterei di farla girare a 3 o 4 tacche come potrebbe poi inavvertitamente accadere.
__________________
BMW R1200RT 2011
...fidati solo di ciò che vedi...(J. McGuinness - 23 TT won)
Paolo Grandi non è in linea   Rispondi quotando
Vecchio 25-04-2023, 18:55   #8
DettoriGiampaolo
Mukkista in erba
 
L'avatar di DettoriGiampaolo
 
Registrato dal: 03 Nov 2008
ubicazione: Cesano Maderno
Messaggi: 482
predefinito

Giusta osservazione, ma a me è capitato in autostrada, traffico congestionato , a 42 gradi , ( andando in Calabria ) e essere stato costretto a spegnere la moto , per la temperatura del motore alle stelle , a passo d'uomo il radiatore senza ventola , non raffredda nulla.
__________________
Vespa50 Laverda750 SFC Honda750 four Benelli250c Benelli504 Aprilia Caponord ETV1000 BMW R1200RT
DettoriGiampaolo non è in linea   Rispondi quotando
Vecchio 25-04-2023, 19:08   #9
teista
Mukkista doc
 
L'avatar di teista
 
Registrato dal: 25 Nov 2010
ubicazione: roma
Messaggi: 1.659
predefinito

Infatti, é una cosa in piú che deve fare il suo lavoro in situazioni particolari. Basta mettere il termostato giusto.
teista non è in linea   Rispondi quotando
Vecchio 26-04-2023, 13:06   #10
Motta
Mukkista doc
 
Registrato dal: 31 Jul 2011
ubicazione: Villadossola
Messaggi: 1.119
predefinito

Quote:
Originariamente inviata da DettoriGiampaolo Visualizza il messaggio
... a me è capitato in autostrada, traffico congestionato , a 42 gradi , ( andando in Calabria ) e essere stato costretto a spegnere la moto , per la temperatura del motore alle stelle , a passo d'uomo il radiatore senza ventola , non raffredda nulla.
Anch'io metterò la ventola ed il tuo post mi sarà utile!
A me è capitato due anni fa in coda ferma in galleria per traffico e l'anno scorso, sempre in galleria, in coda ferma per incidente; in entrambi i casi non c'era modo di svicolare le auto, la barra di temperatura saliva a vista d'occhio e la moto ha avuto un paio di accenni di spegnimento...paura paura...non si è spenta solo perché in entrambi i casi sono riuscito a muovermi in tempo...
Con "coda ferma" intendo fermate di pochi secondi, quanto basta per far alzare vertiginosamente la temperatura ma non abbastanza per decidere di spegnere volontariamente la moto.
__________________
R 1200 RT '07.....l'astronave.....con palpebra strumentazione e apertura cancello con flash....
Motta non è in linea   Rispondi quotando
Vecchio 26-04-2023, 13:18   #11
Motta
Mukkista doc
 
Registrato dal: 31 Jul 2011
ubicazione: Villadossola
Messaggi: 1.119
predefinito

Ho visto che tra le cose da comprare hai messo l'interruttore della ventola...non si può fare in modo che intervenga automaticamente invece di accenderla manualmente?
__________________
R 1200 RT '07.....l'astronave.....con palpebra strumentazione e apertura cancello con flash....
Motta non è in linea   Rispondi quotando
Vecchio 26-04-2023, 16:47   #12
DettoriGiampaolo
Mukkista in erba
 
L'avatar di DettoriGiampaolo
 
Registrato dal: 03 Nov 2008
ubicazione: Cesano Maderno
Messaggi: 482
predefinito

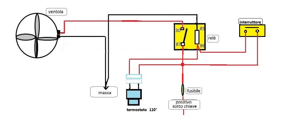
Ciao Motta , ho eseguito uno schema elettrico che comprende sia la possibilità che in automatico ( tramite bulbo termostatico tarato 110 -115 gradi ) avvia la ventola , sia con un interruttore , con il quale posso comandare la ventola manualmente.
Entrambe agiscono sul relè 12 volt 30 ampere .

__________________
Vespa50 Laverda750 SFC Honda750 four Benelli250c Benelli504 Aprilia Caponord ETV1000 BMW R1200RT
DettoriGiampaolo non è in linea   Rispondi quotando
Rispondi


Regole d'invio
Non puoi inserire discussioni
Non puoi inserire repliche
Non puoi inserire allegati
Non puoi modificare i tuoi messaggi

BB code è attivo
Le smilie sono attive
Il codice IMG è attivo
il codice HTML è disattivato

Salto del forum


Tutti gli orari sono GMT +2. Attualmente sono le 02:23.

noleggio HP ducati

Powered by vBulletin versione 3.8.4
Copyright ©: 2000 - 2026, Jelsoft Enterprises Ltd.
Traduzione italiana Team: vBulletin-italia.it
www.quellidellelica.com ©